18 января 2024 /
0 комментариев
/
11 просмотров

1
Схема вторичных цепей трансформатора напряжения 10 кв

2
РПС 100а

3

4

5
ШРП С регуляторами Madas RG/2mbhz

6
Пд-14 привод разъединителя схема

7
Схема цепей напряжения тн 6 кв

8
Расположение шкафов в моторном вагоне

9
Выключатель разъединитель 2500

10
Схема вторичных цепей трансформатора напряжения 10 кв

11
Схема электрических соединений ТЭЦ

12
АТСК 50/200

13
Схема ЗРУ 35

14

15
Распределительное устройство 220 кв схема

16
Переключатель вспомогательных цепей ПВЦ-100

17

18

19

20
Блок аппаратов 2эс6

21
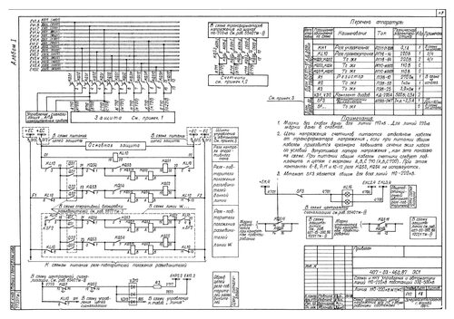
Що-70-1-03 схема

22
Схема тн ПС 220 кв с двумя трансформаторами

23
Схема питания трансформатора собственных нужд

24
Пускатель 2 величины 220 CHINT

25
Що-70-1-03 схема

26
Разъединитель с дистанционным управлением схема

27
КСО-393 С вакуумным выключателем схемы

28

29

30
Схема управления входным светофором с двухнитевыми лампами

31
110kv substation Transformers

32
3b секционирование НКУ

33
Привод Пд-11 схема

34
Ячейка ЗРУ 110 кв

35
АВР 630а с секционным выключателем

36

37
Щит ВРУ 250а

38
Схема однотрансформаторной подстанции 10кв

39
Разъединитель РНДЗ 110 кв

40

41

42

43
КРУН-10 кв наружной установки чертеж

44
Журнал релейной защиты и автоматики

45

46
Реостатный контроллер 1кс 009

47
Схема закрытого распределительного устройства 10 кв